Maison neuve, 122 m² - Luzarches (95270)

430 000 €
Luzarches (95270)

Proposée par MAISONS FRANCE CONFORT – 6 pièces - 3 chambres - terrain 656 m²

MAISONS FRANCE CONFORT
MAISONS FRANCE CONFORT
(56 avis)
  • Demande d'information
MAISON À CONSTRUIRE : ceci est une annonce d'une maison neuve à construire.
Concrétisons ensemble votre ptojet de construction sur la commune de LASSY 95 (5mn gare Luzarches)
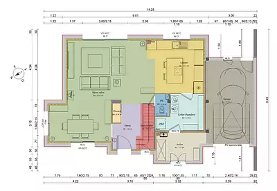
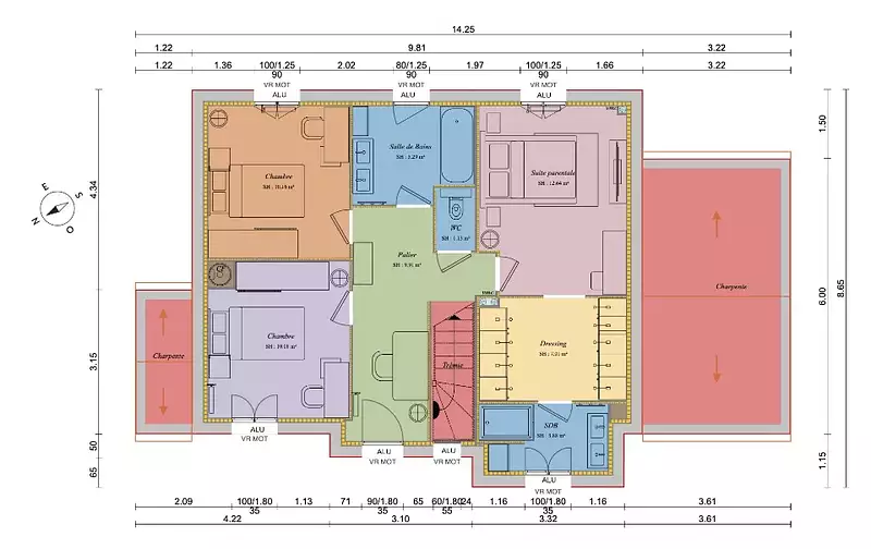
Cette maison offre 122m² habitables , au RDc un espace de vie de 51m², un cellier- buanderie de 6.30m² plus garage / atelier de 24 m². A l'étage une suite parentale de 23.50m² , 2 chambres de 10.10m² , 2sdb un palier de 10m². menuiseries alluminium , PAC air/eau plancher chauffant rdc , radiateurs étage.
Idéalement orienté sud ouest un projet de maison prête à décorée pour un montant de 430000€ , fondations spéciales ,frais annexes et frais de notaire inclus.
Contacter M.AIT de notre agence MAISONS FRANCE CONFORT MOISSELLES au 06 76 76 37 16 / 01 39 91 72 46 pour plus d'informations ou imaginer ensemble un autre projet sur ce terrain.
Référence : LAO2362257_2
Terrain proposé par un partenaire foncier selon disponibilités et autorisation de publicité au prix de 120 000 €. Hors droit d'enregistrement et frais de notaire. Terrain + Maison proposés au prix de 430 000 € (Hors branchements et raccordements, papiers peints, peintures, revêtement de sol dans les chambres. Tarif modifiable sans préavis). Etiquette énergie : A. Différents modèles disponibles pour ce terrain. Assurances et garanties du constructeur (RC professionnelle, décennale, dommage ouvrage, garantie de remboursement de l'acompte, livraison à prix et délai convenu) : HEXAOM Services est enregistré auprès de l'ORIAS en tant que Courtier en financement, Niveau 1, sous le numéro 14001345.

Les informations sur les risques auxquels ce bien est exposé sont disponibles sur le site Géorisques : www.georisques.gouv.fr


Prix
  • Prix total : 430 000 €
  • Prix du modèle de maison : 310 000 €
  • Prix du terrain : 120 000 €

Terrain
  • Surface : 656 m²

Maison
  • Surface : 122 m²
  • Pièces : 6
  • Chambres : 3
  • Garage : 1

  • Être rappelé par un conseiller
  • Demander plus d’infos
  • Demande d'information
Luzarches (95270)

Programmes à proximité

Le Clos Savart
Le Clos Savart
Viarmes (95270)

Appartements de 2 à 4 pièces
Livraison 4ème trimestre 2027

Coeur de Bourg
Coeur de Bourg
Saint-Martin-du-Tertre (95270)

Appartements de 2 à 4 pièces
Livraison 4ème trimestre 2027

Domaine du Cèdre
Domaine du Cèdre
Saint-Martin-du-Tertre (95270)

Appartements de 1 à 4 pièces
Livraison 1er trimestre 2028

Le Clos Dalibard
Le Clos Dalibard
Marly-la-Ville (95670)

Appartement de 3 pièces
Livraison 1er trimestre 2026

Le Haras
Le Haras
Marly-la-Ville (95670)

Appartements de 3 à 4 pièces et maison de 4 pièces
Livraison 1er trimestre 2025

LE QUARTIER DU VERTPUITS
LE QUARTIER DU VERTPUITS
Puiseux-en-France (95380)

Appartements de 3 à 4 pièces et maisons de 4 à 5 pièces
Livraison 3ème trimestre 2026

Contacter MAISONS FRANCE CONFORT pour recevoir plus d'informations

Remplissez le formulaire ci-dessous, vos informations sont transmises directement au constructeur qui vous contactera par email ou par téléphone afin de traiter votre demande. En savoir plus.

Voir tous nos programmes immobiliers neufs à Luzarches